CALIBRATION SERVICES
We proudly offer first class services, work diligently to schedule a range of calibration program that meets your needs. Learn more…
ENGINERRING TESTING SERVICES
We have established a state-of-the-arts Mechanical / Metallurgical Laboratory. Learn more…
PROCUREMENT SERVICES
Our procurement services are well tailored for efficiency and cost effectiveness to meet your satisfaction. Learn more…
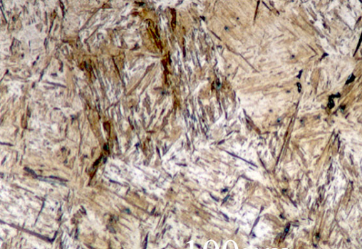
Microstructure Analysis
With our best microscope in the industry, we provide a professional microstructure examination and analysis.
Microstructures Examination
Microstructure analysis involves the examination of micrographs of materials cross-sections under a microscope, revealing morphological characteristics of the microstructure.
“Safe Habits, Safe life!”
CACTI RESOURCES NIGERIA LIMITED believes that safety is part of our everyday life. Our professional team works to increase productivity, cost effectiveness and safety.
CACTI LATEST BLOG & NEWS
Don't hesitate to contact us any time...
CACTI RESOURCES NIGERIAN LIMITED is 100% indigenous Engineering servicing company incorporated in 2023, RC 7210878. We have established a state-of-the-arts Mechanical / Metallurgical Laboratory.
- (+234)08087187944, (+234)08178592191
Get a Newsletter
Enter your email in the field below to subscribe to our newsletter.
© 2025 CACTI RESOURCES NIGERIA LIMITED – All rights reserved. Designed By: DataX Velocity Services










